The AA8V 6AG7 Amplifier
by Greg Latta, AA8V
Schematic Diagrams and Circuit Descriptions:
Click On A Section of the
Schematic
Below for Information on That Part of the Circuit:
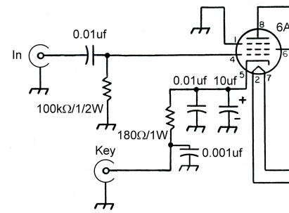
Input and Bias Circuits
Click On A Section of the Schematic
Below for Information on That Part of the Circuit:
Input Coupling Capacitor:
The input coupling capacitor allows the input signal to pass through to the
grid of the tube while preventing the input source from potentially shorting
the grid bias to ground. If the grid bias were shorted out, the 6AG7 would
overheat and it would be destroyed. The value of this capacitor is not critical
at all. As long as the reactance of the capacitor at the lowest operating
frequency (in this case 4.5 ohms at 3.5 MHz) is small compared to the value of
the grid resistor, the circuit will operate correctly.
|

Input Coupling Capacitor
|
Grid Resistor:
The grid resistor allows the grid bias developed by the cathode resistor to
pass through to the grid, while providing a load for the input signal. The
value of this resistor is not critical. As long as it is high enough to prevent
too much loading of the source, while still allowing the grid bias through, the
circuit will operate fine.
|

Grid Resistor
|
Cathode Bias Resistor:
The value of the cathode bias resistor is critical. Cathode current (sum of
plate and screen currents) passing through this resistor causes a voltage drop
across the resistor. This voltage drop is the bias applied to the grid of the
tube.
The bias is critical. In this amplifier the bias is chosen so that the
amplifier requires the least amount of drive possible. This means making the
bias as small as possible, while preventing the tube from overheating. The
various currents and voltages in the tube were measured while the value of this
resistor was varied. 180 ohms was finally chosen as this kept the plate
dissipation safely under the maximum value of 9 watts.
|

Cathode Resistor
|
Cathode Bypass Capacitor:
While the cathode bias resistor generates the tube bias, it also offers
opposition to the signal that ultimately flows to the plate (the output
signal). This causes negative feedback, which, in this case, is undesirable.
The solution is to connect a capacitor from the cathode to ground. This allows
the output signal to flow around the cathode resistor, without affecting the
bias developed by the resistor. The value of this capacitor is not critical. As
long as the reactance of the capacitor at the lowest operating frequency (in
this case 4.5 ohms at 3.5 MHz) is small compared to the value of the bias
resistor, the circuit will be fine.
|

Cathode Bypass Capacitor
|
Key Click Capacitor:
When an amplifier is keyed, spurious signals known as key clicks can be
generated if the amplifier is turned on and off too rapidly. To prevent this in
the 6AG7 amplifier, a 10uf/100V capacitor is connected between the cathode of
the tube and ground. This lengthens the rise and fall times of the amplifier
when it is keyed and prevents the key clicks. The value of this capacitor is
critical. Too little capacitance, and the key clicks occur. Too much, and the
keying gets soft and "rings".
|

Key Click Capacitor
|
Keying Circuit:
The amplifier is keyed by opening the cathode return to ground. A bypass
capacitor is connected across the key to prevent any stray RF that may enter
through the keying jack from affecting the amplifier. The value of the
capacitor is not critical.
|

Keying Circuit
|
6AG7 Tube and Screen Circuit:
Click On A Section of the Schematic
Below for Information on That Part of the Circuit:
6AG7 Vacuum Tube:
The 6AG7 is a power pentode designed for class A service. It is a metal tube
with a maximum plate dissipation of 9W. Is is identical electrically to the
miniature 6CL6 tube which was released in May of 1953, but it has a slightly
higher plate dissipation than the 6CL6. The higher plate dissipation allows for
a slightly higher output than the 6CL6, given the same amount of drive.
You can click here for a copy of the 6AG7 data sheet in .pdf
format. |

6AG7 Tube
|
Screen Dropping Resistor:
The screen voltage for the 6AG7 is fairly critical and is obtained from the
screen voltage regulator through a dropping
resistor. The resistor is chosen so that the screen voltage is the proper value
when the tube is drawing rated current. The value of this resistor is fairly
critical, since the screen voltage has a big effect on the operation of the
amplifier.
|

Screen Dropping Resistor
|
Screen Bypass Capacitor:
The screen voltage must be kept fairly constant. To keep any RF from passing
through the screen resistor and affecting the screen voltage, the RF is
bypassed to ground through a capacitor. The value of this capacitor is not
critical.
|

Screen Bypass Capacitor
|
Screen Voltage Regulator
Circuit:
Click On A Section of the Schematic
Below for Information on That Part of the Circuit:
Voltage Regulator Tubes:
The screen voltage in the amplifier is regulated to prevent key clicks from
occurring when the amplifier is keyed. Gaseous regulator tubes such as the 0B2
have the property that as long as the current through them is between about 4
mA and 30 mA the voltage across the tube is constant. For the 0B2, the voltage
is 108 volts. Tubes may be placed in series to obtain a higher voltage. In this
case, two tubes are placed in series for a total of 216 volts.
|

Voltage Regulator Tube
|
Regulator Dropping
Resistor:
The screen dropping resistor is selected so that the current through the tubes
is at least equal to the screen current plus about 4 mA. In this case that
corresponds to about 15 mA. Having the idle current higher is OK, as long as it
isn't over 30 mA. (Higher idling current does, however, cause more heating in
the regulator tubes and power supply.) When the amplifier is keyed, the
regulator tubes simply draw less current, automatically keeping the voltage
across them constant at 216 volts.
|

Regulator Dropping Resistor
|
Output Circuits:
Click On A Section of the Schematic
Below for Information on That Part of the Circuit:
Plate Feed Circuit:
In an RF amplifier it is necessary to supply DC plate voltage to the tube
(about 350 volts in this case) and at the same time extract the amplified RF
that appears at the plate of the tube. In the circuit at right, the 2.5 mH
plate RF choke allows the direct current from the plate supply (B+) to pass
through it, while preventing the RF on the plate of the tube from flowing back
through the plate supply. At the same time, the .0047uf plate coupling
capacitor permits the RF on the plate to flow though to the plate tank circuit
while blocking the plate voltage. The .01uf plate bypass capacitor short
circuits any residual RF that might have gotten through the plate RF choke and
prevents it from reaching the B+ plate supply.
|
Plate Feed Circuit
|
Plate Tank Circuit:
The plate tank circuit is a pi-network that matches the high impedance of the
plate to the low impedance of the antenna. At the same time the circuit filters
out undesired harmonics from the output signal. The signal from the plate
enters through the 0.0047 uf plate coupling capacitor. The 100 pf plate tuning
capacitor tunes the plate to resonance. The band switch and tank coil provide
the correct inductance for each band, and the 625 pf load capacitor adjusts the
network for the best impedance match.
L1 is a plug in coil. Two coils cover
80m-20m. One coil covers the 80m/60m/40m bands and another coil covers the
30m/20m bands.
|

Plate Tank Circuit
|
Antenna RF Choke:
The 2.5 mH antenna RF choke performs three important functions:
1. If the plate coupling capacitor should fail and short, the RF choke will
short circuit the plate supply, blowing the power supply fuse. This will
prevent the plate voltage from appearing on the antenna, a very dangerous
situation.
2. The choke prevents any DC voltage from appearing across the load capacitor,
lowering the voltage it is required to handle.
3. The choke allows any static buildup in the antenna to drain to ground.
|

Antenna RF Choke
|
Power Supply:
Click On A Section of the Schematic
Below for Information on That Part of the Circuit:
Primary Circuit:
A three wire grounded cord is used on the amplifier. The hot lead from the cord
passes through a one ampere fuse that will blow in case of a catastrophic
failure somewhere in the amplifier. A single pole switch switch is placed in
the hot lead to act as an On/Off switch. A neon pilot light is connected across
the transformer primary to indicate when the unit is powered. (not shown on
schematic).
|
Power Supply Primary Circuit
|
Power Supply Transformer:
The power supply transformer is a Stancor P-6010. The transformer has three
secondaries. One provides 5V AC @ 2A for the 5Y3 rectifier filament, and
another (rated at 2A) provides the 6.3V AC @ 0.65A needed by the 6AG7 filament.
A third high voltage winding provides 650V center tapped at 40mA for the plate
supply.
|
Power Supply Transformer Rectifier
|
Power Supply Rectifier:
The transformer steps up the 117 volts AC in the primary to 650 volts AC in the
secondary. When the top connection to the secondary is positive with respect to
the bottom connection and center tap, the upper diode of the 5Y3GT rectifier
tube (pins 4 and 2/8) conducts, allowing current to pass to the output. During
this time the bottom diode (pins 6 and 2/8) is cut off. When the bottom of the
secondary is positive with respect to the top and center tap the opposite is
true: the upper diode is cut off and the bottom diode conducts. The result is a
stream of DC pulses at the output of the rectifier, which is the center tap on
the 5V secondary. The output is then fed to the power
supply filter.. The 5 volt secondary provides the 5 volts needed to heat
the filament/cathode of the rectifier tube.
You can click here for a copy of the 5Y3GT data sheet in
.pdf format.
|

Power Supply Rectifier
|
Power Supply Filter:
The output from the rectifier is direct current (DC)
but with a large alternating current (AC) component superimposed. The power
supply filter removes the AC component leaving the pure DC. The two 47uf filter
capacitors are essentially an open circuit to the DC, but they effectively
short circuit the AC component to ground. The 8H filter choke on the other hand
allows the DC component to flow through, while offering a very high impedance
to the AC component. The result is that little of the AC component reaches the
output. The 120k ohm bleeder resistor bleeds off the charge on the filter
capacitors when the unit is shut off, preventing the possibility of a dangerous
electric shock that could occur even though the unit were turned off and
unplugged. The bleeder resistor, along with the screen
voltage regulator tubes, also provides a minimum load on the power supply
to prevent the output voltage from soaring during standby (key up) periods.
|
Power Supply Filter
|
Back to Dr. Greg Latta's
Electrical Engineering and Amateur Radio Pages
Questions, Comments, and E-Mail
If you
have any questions or comments, you can send E-Mail to Dr. Greg Latta at
glatta@frostburg.edu
Thanks for stopping by!