Using the LM-13 Frequency Meter As A VFO
by Greg Latta, AA8V
Main Page

LM-13 VFO System
LM-13 VFO System
Click on an item in the photo for more information. Aluminum Case 1:2 Voltage Step Up Transformer VFO Buffer Amplifier Power Supply

I am currently working on this web page and you may see daily revisions.
Some of the information on this page will eventually be moved to separate pages with more detail.
Grayed out links to those pages below will become active as this is done.

For the moment, a lot of information is contained on this page, so be sure to scroll down.

Updated Friday, February 16th, 2018

Using the LM-13 Frequency Meter As A VFO
Grayed out links will become active as I complete those pages.
 Using the LM-13 Frequency Meter As A VFO - Main Page  Replacing the Neon Lamps with a 0A2 Regulator Tube
 Power Supply  Grid Blocking the Oscillator During ReceiveNew!
 2 Transistor Buffer Amplifier and 1 to 2 Voltage Step Up Transformer Page  Schematic Diagram and Circuit Descriptions See Link Below
 How to Read a Vernier Scale  Making an Aluminum Case for the LM-13 New!
 Exterior Photos  Interior Photos
 Resources and Manuals See Link Below  Restoration and Testing

Select A Link Below:
 Introduction
 Schematic Diagram for the LM-13
 Modified Schematic Diagram for the LM-13
 Calibration Crystal
 Resources and Manuals


Introduction:
When I sold my 10 year old TenTec Jupiter to a friend and new ham, part of the payment to me was an old beat up piece of WW II equipment given to him by another ham. It was in sad shape but on closer inspection it turned out to be a 1941 US navy LM-13 frequency meter. When I dug a little deeper I found that the LM-13 was a high precision piece of WW II equipment. It contained, among other things, a precision oscillator that operated on two ranges, one of which was 2000kHz to 4000kHz. If it was a precision oscillator, perhaps it would be stable enough to be used as a VFO on the 80m band. Close inspection showed that the LM-13 was complete, but with no power supply and no cover. If I could design and build a power supply for it and make a cover, there was indeed a good chance that it could serve as an 80m VFO.

The first task was to build a power supply for it and get it running. I could then determine how stable it was and whether it was stable enough to serve as a VFO. It was relatively easy to find the manual for it on-line. I have listed links to manuals and other documentation on the LM-13 in the tables above. It turns out the power requirements were very easy to meet. You can read about the power supply I designed and built for the LM-13 here: Power Supply for the LM-13 Frequency Meter

I thoroughly checked out the LM-13 and had to resolder a couple of questionable connections, but overall the circuitry was in excellent shape, a testimony to the original quality with which it had been built. Connecting a bread-boarded power supply immediately brought it back to life with a clean, stable signal. Listening on a receiver and looking at the signal on my spectrum analyzer showed that the signal was very clean and very stable. There was some turn on drift when the plate voltage was first turned on, but the frequency would settle down after perhaps ten seconds. This was too long to make it useful as a VFO unless I could find a way to lessen the turn-on drift. I experimented with grid-blocking the oscillator tube and found that this was a great improvement. When the blocking voltage was removed, the oscillator promptly started with a slight "swoop" that lasted only about 1-2s. If I waited about 1s when starting a QSO, and did not key the oscillator, the oscillator would be stabilized and remain so throughout the QSO. Conclusion: the LM-13 could indeed serve as a VFO, though it could not be keyed.

Another problem with using the LM-13 as a VFO was it's very low output. The LM-13 oscillator, though very stable, wasn't designed to drive anything other than its own internal mixer, and the output was only 200-300mV peak-to-peak. This would have to be raised to at least a couple of volts peak-to-peak if the LM-13 were to serve as a VFO. As it turns out, a 2 Transistor buffer amplifier and 1 to 2 voltage step up transformer could be built that would do the job.

With all of the interruptions I had it took over a year to get the LM-13 on the air, but on February 13th, 2018 I made my first QSO with it. While I was testing the system on 40m, another station gave me a call and I worked him with no trouble at all! As it turns out, my LM-13 VFO system has enough drive to operate my 6146B transmitter on both 80m and 40m. It is as stable as a modern transceiver and very easy to tune. It was well worth the effort to get it on the air!


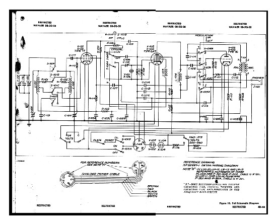
Schematic Diagram for the LM-13:
Below is the schematic diagram for the LM-13 frequency meter. This was taken from the Handbook of Maintenance Instructions. Click on the image or the link for a larger version suitable for printing.

Schematic Diagram for the LM-13:
Small LM-13 Schematic Diagram
Click here for a larger schematic diagram suitable for printing.


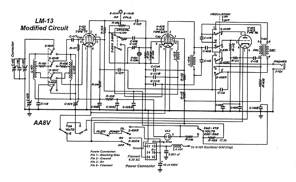
Modified Schematic Diagram for the LM-13:
Below is the schematic diagram of my LM-13 where the following modifications have been implemented:
1. The filament circuit has been modified for 6 V operation. I don't recommend this but this is how I received my LM-13, so I didn't change it.
2. The power connector has been changed to a 6 pin Cinch-Jones connector.
3. The neon bulbs have been changed to a single 0A2. Resistor R-103 has been changed to 17.5 kohm for proper operation with my 245 V B+ power supply. My resistor is a 7W unit but anything over about 2W should be OK with a 245 V B+ supply.
4. A 10 uf , 450 V capacitor has been placed across the B+ line in the LM-13 unit itself to filter out the small ripple introduced by the filament current voltage drop in the ground lead of the power supply connecting cable.
5. Grid block control of the oscillator has been implemented. Placing -16V or greater on the blocking bias line will cutoff and disable the oscillator.

Modified Schematic Diagram for the LM-13
LM-13 Modified Schematic Diagram
Click here for a larger schematic diagram suitable for printing.

Calibration Crystal:
The calibration crystal in the LM-13 is an amazing unit, even today. The crystal is in a hermetically sealed case with an octal socket. The crystal specifications are as follows:

Type: Cut "AT" Crystal
Frequency: 1000 KHz ± 10 Hz=1,000,000 Hz ± 10 Hz
Temperature Coefficient: 0.0001% / °C=1 Hz /°C
Calibration Temperature: 20°C

This means that, even without calibration against a frequency reference such as WWV, when used in the LM-13, the frequency of the crystal at room temperature would be within 10 Hz of 1 MHz! Between 0°C and 40°C, which is the probable range over which the LM-13 would be used, the crystal would be within 30 Hz of 1 MHz. This is amazing accuracy, especially for 1941!

Resources and Manuals:
Handbook of Maintenance Instructions - Be sure to download and save this! This is "the book" on the LM-13.
Calibrating Equipment - L Series
Surplus Radio Conversion Manual
QST Article from September 1965


©Copyright Statement:
All images, designs, and materials on these web pages are the property of Gregory P. Latta and are ©2018 by Gregory P. Latta. You may use them for personal purposes and for educational purposes, but any commercial or other use is strictly prohibited unless written permission is obtained from the author.


meterBack to Dr. Greg Latta's Electrical Engineering and Amateur Radio Pages


Questions, Comments, and E-Mail

LetterIf you have any questions or comments, you can send E-Mail to Dr. Greg Latta at glatta@frostburg.edu

Thanks for stopping by!