The AA8V Wingfoot 813 Amplifier
High Technology Of The 1950's In The 2000's
by Greg Latta, AA8V

Circuit Description and Schematic Diagram

Wingfoot 813 Amplifier Pages
 Main Page and Front and Side Views  Tank Coil Information
 Interior and Back Views  Typical Operating Conditions
 Circuit Description and Schematic Diagram  Power Supply Photos
 813 Tube Information  Power Supply Circuit Description and Schematic Diagram


Circuit Descriptions and Sub-Schematics
 Input Transformer  Grid Metering Circuit  Mode Switch Circuit
 Input Circuit  Plate Metering Circuit  Bias Circuit
 Plate Feed Circuit  TR Switching Circuit  813 Beam Power Tetrode
 Plate Tank Circuit  Why Use A Center-Tapped
Filament Transformer?
 Why Not Just Apply The RF Drive
To One End Of The Filament?


Click On A Section of the Schematic Below for Information on That Part of the Circuit:

Full schematic for screen Amplifier Input Transformer 813 Beam Power Tetrode Plate Feed Circuit Bias Circuit Mode Switch Circuit Transmit/Receive Switching Circuit Plate Tank Circuit Control Grid Metering Circuit Screen Grid Metering Circuit Plate Metering Circuit Input and Filament Supply Circuit

Click here for a high resolution schematic.

Click here for a rotated schematic more suitable for printing.

The Wingfoot 813 amplifier was designed and built by me to match the W8EXI Wingfoot VFO Exciter. At the time I received the exciter from Jim Trutko, W8EXI, I also received an amplifier that Jim had been working on years earlier. Designed around the popular (in the 1950's) 813 beam power tetrode, the amplifier was unfinished and incomplete. There was also a power supply for the amplifier on a separate chassis, but the power supply had design problems, defective parts (particularly the filter capacitors), and was not operational.

Since the amplifier would make a beautiful companion to the exciter, I decided to repair and redesign the power supply, and then to completely disassemble the amplifier into a pile of parts and start completely over. The result is an amplifier of exceptional performance and beauty.

Circuit Design Considerations:
The design of the amplifier was largely determined by the parts on hand: it would be designed around the 813 beam power tetrode and would hopefully utilize the tank components on hand. A grounded grid (cathode driven) configuration was selected, since plenty of drive was available, and the circuit would be simpler. It was decided to run the 813 "triode connected", with the screen in parallel with the control grid. This would eliminated the need for a screen supply, and during operation the tube could be run with zero bias. A bias supply would thus only be needed to cut off the tube during standby/receive, and a simple, unregulated bias supply would suffice. Though an input matching circuit would have given better linearity and a better impedance match to some exciters, one was not used since the exciter could match a wide range of impedances and the amplifier would be used for CW, where linearity was not a major concern. Finally, since the amplifier might be used with a transceiver, a relay transmit/receive circuit was included to bypass the amplifier and apply cutoff bypass to the 813 during receive.

Click here for pictures and information on the matching Wingfoot VFO 2E26 Exciter

Amplifier Input Transformer:
The input impedance of a grounded grid amplifier is typically several hundred ohms. Though most vacuum tube transmitters will have no trouble driving such an impedance, solid state transmitters, which are designed to drive loads that are very close to 50 ohms, will usually refuse to drive such a load. The best (and most complicated) solution is to use a tuned matching network on the input. However, a simple 1 to 4 unbalanced to unbalanced transmission line transformer is very easy to make and will lower the input impedance by roughly a factor of four, usually bringing it within range of most solid state transmitters.

In this amplifier the input transformer is made by winding seven turns of RG-174 coax or similar small coaxial cable on an FT-50A-61 toroidal core. If the coaxial cable is not available, 11 turns of #24 enameled magnet wire, bifilar wound, will also work. Click here for a picture of the transformer.
Input Transformer

Amplifier Input and Filament Supply Circuit:
In a directly heated cathode grounded-grid circuit it is necessary to allow both the input RF and the filament power to reach the filament/cathode without interfering with each other. In the circuit shown at right the two 0.01 uf capacitors permit the input RF from the input matching circuit to reach both ends of th filament, while preventing the much lower frequency filament AC from flowing back through the input circuit. At the same time, it is important to keep the input RF from flowing into the filament power transformer. This is accomplished with a pair of heavy duty RF chokes that are actually wound on the same core. These allow the low frequency heater AC to pass through while blocking the much higher frequency RF. Any residual RF that might have passed through the RF chokes is shorted to ground through the two 0.02 uf capacitors. The filament transformer provides 10 volts AC at 5 amperes to heat the 813 filament.
813 Input Circuit

Why Use A Center-Tapped Filament Transformer?:
To understand this question, let us suppose we DON'T use a center-tapped filament transformer.Let's assume the amplifier is in tranmit mode but has no RF coming in. Thus, for the moment, we can ignore any RF circuitry or considerations.

Let us connect one side of the tube filament/cathode to ground along with one side of the filament transformer. Let the plate supply voltage be Vp and the negative side of the plate supply (B-) is also connected to ground. Now, the plate voltage is defined as the difference in potential between the plate of the tube and the cathode of the tube (NOT ground!). The problem is that in using a non-center-tapped setup the cathode of the tube is NOT at a single potential! The voltage from the plate of the tube to the grounded end of the cathode is Vp. But the voltage from the plate to the ungrounded (other) end of the cathode is Vp + 10V AC. Likewise, the voltage between the plate and the middle of the cathode is Vp + 5V AC and so on. The result is that 60Hz AC is added to the plate voltage!. This results in a 60 Hz AC component (hum) in the plate current, a very undesirable situation!

If the filament transformer is center-tapped and grounded, and the B- is still grounded, there is still 1/2 * 10V AC=5V AC added to the plate voltage at each end of the cathode, but these are out of phase with each other, and the hum cancels out. This is true for all points along the cathode going out from the center, and any hum is cancelled out.
813 Input Circuit

Why Not Just Apply The RF Drive To One End Of The Filament?:
First read the section above on Why Use A Center-Tapped Filament Transformer. If the RF drive is connected to only one side of the cathode, the same sort of situation will happen, except that the hum introduced will be added to the RF and amplified, a terrible situation. Introducing the RF equally on each side of the cathode through the two 0.01 uf capacitors will again result in the out of phase situation mentioned previously, cancelling any hum.
813 Input Circuit

Amplifier Plate Feed Circuit:

In an RF amplifier it is necessary to supply DC plate voltage to the tube (about 2000 volts in this case) and at the same time extract the amplified RF that appears at the plate of the tube. In the circuit at right, the R-175 plate RF choke allows the direct current from the plate supply (B+) to pass through it, while preventing the RF on the plate of the tube from flowing back through the plate supply. At the same time, the 500 pf plate coupling capacitor (at the top in the schematic) permits the RF on the plate to flow though to the output tank circuit while blocking the plate voltage. The 500 pf capacitor at bottom short circuits any residual RF that might have gotten through the plate choke and prevents it from reaching the plate supply. The small coil in series with the plate lead is a parasitic suppressor, which helps prevent unwanted oscillations.
813 plate feed

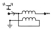
Amplifier Plate Tank Circuit:
The plate tank circuit is a pi-network that matches the high impedance of the plate to the low impedance of the antenna. At the same time the circuit filters out undesired harmonics from the output signal. The signal from the plate enters through the 500 pf plate coupling capacitor at the upper left in the schematic. The two 40 pf capacitors and the 220 pf variable capacitor, in combination with the plate tank coil, tune the plate to resonance. The two 40 pf capacitors are placed in parallel to produce an 80 pf capacitor. This is then placed in series with the 220 pf variable capacitor. The result is effectively a variable capacitor with a maximum capacitance of about 59 pf. This slows the plate tuning rate and makes the amplifier much easier to tune. The band switch varies the inductance of the tank coil, and the 1500 pf load capacitor adjusts the network for the best impedance match. The 2.5 mH RF choke performs two important functions: If the plate coupling capacitor should fail and short, the RF choke will short circuit the plate supply, hopefully blowing the fuse. This will prevent the plate voltage from appearing on the antenna, a very dangerous situation. The choke also prevents any DC voltage from appearing across the load capacitor, lowering the voltage it is required to handle.
813 Plate Tank Circuit

Amplifier Grid Metering Circuits:
Metering the DC grid currents of an RF amplifier is an important method of monitoring amplifier operation. In this amplifier, the control grid and screen grid are connected in parallel for RF, effectively creating a "super" control grid. (So called "triode connection".) Though they are in parallel for RF, the DC current of each is measured separately. The screen grid and control grid metering circuits are identical and for clarity only the screen grid metering circuit is shown here. Each meter is shunted with a 100 ohm resistor. This permits the amplifier to operate without the meter panel connected. The 0.1 uf capacitor grounds the grid for RF right at the tube socket, and the 2.5 mH RF choke and 0.001 uf capacitor make sure that no residual RF finds it way to the meter.
813 grid metering citcuit

Amplifier Plate Metering Circuit:
Metering the plate current of an RF amplifier is even more important than metering the grid current. In this amplifier, the plate current meter is placed in the negative lead of the plate supply. This keeps the meter near ground potential and keeps high voltages off of the meter. The 100 ohm resistor grounds the negative lead of the plate supply (B-) if the meter is disconnected, which is a safety feature, but the amplifier cannot be operated without the plate meter connected, as the resistor alone cannot handle the necessary current and would burn out. It is also important for the grid return to be connected to the amplifier chassis ground and not the B- lead, as connecting the grid return to B- would cause the plate meter to indicate both plate and grid current.
813 plate metering circuit

Amplifier Transmit/Receive Switching Circuit:
When an RF amplifier is used with a transceiver, it is necessary to bypass the amplifier during receive periods. In this amplifier sections "A" and "D" of relay K1 handle the transmit/receive switching. (Section "B" is used for bias switching.) When the coil of K1 is not activated (amplifier "Off" or in "Standby") the normally closed (NC) contacts of relay sections "A" and "D" connect the amplifier input jack directly to the output jack, bypassing the amplifier. When the relay coil is activated (amplifier in "Operate") the input jack is connected to the input of the amplifier "I" via the normally open (NO) contact of section "A" and the output jack is connected to the output of the amplifier "O" via the normally open contact of section "D".
813 transmit/receive switching

Amplifier Mode Switch and Relay Activation Circuit :
One side of the 117 volt AC line (from power jack P1 on the rear of the amplifier) is routed through a 2 Amp fuse to the rotors of sections "A" and "B" of mode switch S1. The other side of the AC line is routed to one side of the filament transformer and relay K1. When mode switch S1 is in the "Off" position, the AC is disconnected from the filament transformer and relay and the amplifier is turned off. When S1 is set to the "Standby" position, the filament transformer and green standby light are turned on and the amplifier is in "Standby" mode. When the mode switch is placed in the "Operate" position, relay K1 is also activated, placing the amplifier in "Operate" mode. The amplifier can also be remotely switched from "Standby" to "Operate" by shorting pins "C" and "D" of bias and control jack P3 on the back of the amplifier.
813 mode switch wiring

Amplifier Bias Circuit:
The amplifier bias circuit applies adjustable bias to the 813 control and screen grids, which are run in parallel. (So called "triode connection".) In "Standby" mode the coil of relay K1 is not activated, and one end of the 50k potentiometer is left unconnected. This applies the full output of the bias supply to the 813 grids to cut the tube off. During "Operate" mode, the coil of relay K1 is activated, and the end of the 50k potentiometer is grounded, reducing the bias to the value selected by the bias adjust potentiometer. In actual operation the tube is operated with zero bias so the wiper is set at the bottom end of the potentiometer.
amplifier bias circuit

Wingfoot ExciterClick here for pictures and information on the matching Wingfoot VFO 2E26 Exciter


meterBack to Dr. Greg Latta's Electrical Engineering and Amateur Radio Pages


Questions, Comments, and E-Mail

LetterIf you have any questions or comments, you can send E-Mail to Dr. Greg Latta at glatta@frostburg.edu

Thanks for stopping by!