The AA8V Wingfoot 813 Amplifier
High Technology Of The 1950's In The 2000's
by Greg Latta, AA8V

Plate and Plate/Screen Supply Circuit Description and Schematic Diagram

Power Supply Circuit Descriptions
Main Power Supply Schematic Page
 Plate and Plate/Screen Supply  Bias Supply
 Transformer T1 Primary Wiring  Inrush Delay Circuit
 Power Connector Wiring  

Plate and Plate/Screen Supply
Circuit Descriptions and Sub-Schematics
 T1 Primary  T3 Primary
 T1 High Voltage Secondary  Full Wave Center Tapped Rectifier
 Bridge Rectifier  Choke Input Filter
 Capacitor Input Filter  T3 Bias Secondary
 T1 Current Inrush Secondary  High Voltage Fuse
 T1 Filament Secondary  Pilot Lamp
 Diode Strings  


Click On A Section of the Schematic Below for Information on That Part of the Circuit:

Schematic Diagram T1 High Voltage Secondary T1 Filament Secondary T1 Current Inrush Secondary Choke Input Filter High Voltage Fuse High Voltage Fuse Center Tapped Rectifier T3 Primary T1 Primary Pilot Lamp T3 Secondary for Bias Supply Diode String Bridge Rectifier Capacitor Input Filter

Click here for a high resolution schematic.

Click here for a rotated schematic more suitable for printing.

Circuit Design Considerations:
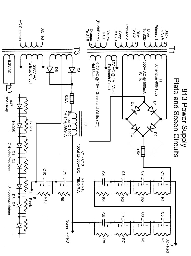
The plate and plate/screen supply provide the plate and screen voltages needed by the 813 tube. Nominal plate voltage at 200W output from the 813 amplifier is 2300 volts at 150 mA and screen voltage, if used, is nominally 400 volts at 45 mA. This power supply is unusual in that a 400 volt plate/screen power supply is run in series with another, 1900V high voltage supply, the "plate" supply, to obtain the final 2300 volt plate potential. The 400 volt supply also provides the screen voltage (if used) for the tube.

Click here for pictures and information on the matching Wingfoot 813 Amplifier

T1 Primary:
T1 is an Ameritron stock number 406-1532 transformer. It is normally used in the popular Ameritron AL-811 and AL-811H amplifiers.

Transformer T1 has two 120V primary windings and a buck/boost winding. The two primary windings can be placed in parallel (OPERate) or series (TUNE) by mode switch S2. When placed in series the output of T1 is essentially cut in half.

The buck/boost winding can be connected in phase (LOW) or out of phase (HI) by HI/LOW switch S1. This gives a total of four possible output voltages from the secondary of T1.

For a detailed description of how this switching arrangement works go to the Transformer Primary Circuit Description and Schematic Page.
T1 Primary

T3 Primary:
T3 does not have a multiple tap primary, making the wiring to this transformer quite simple. One side is connected to the AC neutral, and the other is connected to AC hot through the primary fuse F3 and the ON/OFF switch, S3.
T3 Primary

T1 High Voltage Secondary:
The high voltage secondary of T1 is rated at 500mA at a nominal voltage of 1500V. However, the actual voltage sepends on how the primaries are wired, as explained on the Transformer Primary Circuit Description and Schematic Page.

T1 High Voltage Secondary

Bridge Rectifier:
A conventional full wave, bridge rectifier is used at the output of T1. The output of the diodes is fed through a 1/2 Ampere fuse to a capacitor input filter.

Each of the diodes D1 through D4 is actually a string of diodes in series.

Bridge Rectifier

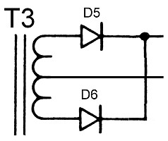
Full Wave Center Tap Rectifier:
A conventional full wave, center-tapped circuit, powered by a center tapped secondary on T3, is used for the plate/screen supply. The negative output is the transformer center tap. The output of the diodes is fed through a 1/2 Ampere fuse to a choke input filter.

Each of the diodes shown is actually a string of diodes in series.

Center Tap Rectifier

High Voltage Fuse:
The plate and and plate/screen supplies are each fused with a 1/2 Ampere fuse. The fuse is mounted in an insulated holder well spaced from the chassis on an insulated plastic support..

The fuses are placed at the output of the rectifiers so that any of the following failures will cause the fuse to blow:
1. Drawing more than 1/2 Ampere from the power supply
2. A short in the rectifiers
3. A short in the filter capacitors or bleeder resistors

High Voltage Fuse

Rectifier Diode String:
To obtain the necessary peak inverse voltage rating (PIV), "diodes" D1 through D6 are actually 1N4005 diodes strung in series. For the bridge rectifier (D1 - D4), 7 diodes are strung in series on each arm of the bridge. For the 450 volt supply (D% and D6), 5 diodes are strung in series on each side of center tap.

The back resistance of silicon diodes varies from diode to diode, so to be sure that the reverse voltage is equally divided among all of the diodes, 120 kohm, 1/2 watt equalizing resistors are connected across each of the diodes.

When the two diodes in the bias supply are also included, the entire power supply contains a total of 4x7 + 2x5 + 2 = 40 diodes and 40 dropping resistors.

Diode String

Capacitor Input Filter:
The high voltage bridge power supply (T1) uses a capacitor input filter.

Filter capacitance is provided by eight 100 uf, 350 volt capacitors (C1 - C8) in series. The eight capacitors in series yield an effective output capacitance of 12.5uf at 2800V.

Because electrolytic capacitors are low tolerance, the voltage across the capacitors may not be equally divided. To make sure that the voltage is distributed evenly across all of the capacitors, 75 kohm, 3 watt equalizing resistors (R1 - R8) are connected across each capacitor.

Capacitor Input Filter

Choke Input Filter:
The plate/screen supply uses a choke input filter. The choke is a Stancor C-1402, 250 mA, 2-12 H swinging choke.

Filter capacitance is provided by two 100 uf, 350 volt capacitors (C9 and C10) in series. The two capacitors in series yield an effective output capacitance of 50uf at 700V.

Because electrolytic capacitors are low tolerance, the voltage across the capacitors may not be equally divided. To make sure that the voltage is distributed evenly across each capacitor, a 75 kohm, 3 watt equalizing resistor (R9 and R10) is connected across each capacitor.

Choke Input Filter

T1 Current Inrush Secondary:
Besides the high voltage secondary, T1 also has a secondary rated at 12V at 1 Ampere. This is used to provide power for the current inrush circuit.

T1 Current Inrush Secondary

T1 Filament Secondary:
T1 also contains a heavy duty filament winding rated at 6.5 volts at 16 Amperes. This is normally used to run the filaments on a set of four 811A tubes. It is not used here, which lessons the overall load on T1 by 104 watts, a substantial amount.

T1 Filament Secondary

T3 Bias Secondary:
The bias power supply is powered by a 290 volt secondary winding on T3. Other secondary windings on T3 power the pilot lamp and the plate/screen supply.

T3 Bias Secondary

Pilot Lamp:
A #47 pilot lamp is used on the power supply, powered by a 6.3 volt secondary on T3.

Pilot Lamp


meterBack to Dr. Greg Latta's Electrical Engineering and Amateur Radio Pages


Questions, Comments, and E-Mail

LetterIf you have any questions or comments, you can send E-Mail to Dr. Greg Latta at glatta@frostburg.edu

Thanks for stopping by!